Skip to content

icon picker
Components

The following table was compiled as the design was being realized and contains notes about each component and relevant data. If needed, information and helpful links can be found in the table.
Component Documentation
Component
General Notes
Pinout Notes
Images
Links
Raspberry Pi Model 4B
INPUT: 5V via USB-C, GPIO GPIO: GPIO pins take 3.3V or less. 28 GPIO pins are available. Software PWM is available on all of them, and Hardware PWM is available on GPIO12, 13, 18, 19.
Python with GPIO: Use the GPIO Zero Library to interface with the GPIO pins with Python. Use command [pinout] on GPIO Zero to get the pinout on screen.
image.png
Pi-Ez Connect Automation HAT
INPUT: Has separate 5V and 3.3V power buses. Each GPIO pin has at least two additional solder points. PORTS: There are four 5V ports, four 3.3V ports, and 6 ground ports. There's a breadboard area in the middle of the HAT. There are also solder points for extra devices, as needed. The terminal blocks allow access to all GPIO pins. FUSE: There's a resettable 8V/1.6A fuse that protects the 3.3V and 5V buses.
All terminals are labeled (G/P) for GPIO number and pin number.
image.png
Limit Switch
INPUT: Rated 380VAC/3A Has NC, NO, and C ports. C is your output and NC/NO decide if it's default high or low. DON'T connect both NC and NO.
image.png
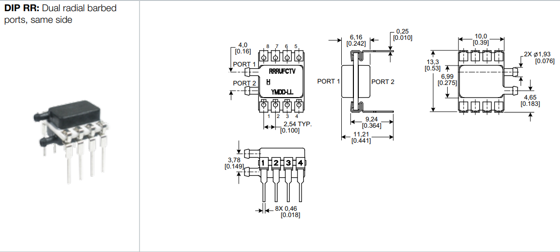
Pressure Sensor (NSCDRRN001PDUNV)
PACKAGE: Dual Input Pin, Dual radial barbed ports, same side
PRESSURE: +/- 1 PSI differential. Working pressure is 5 psi. Over pressure is 10 psi. Burst pressure is 20 psi.
Input: Constant supply voltage needed: 1.5-12.0 Vdc above 6 kPa, 2.7-6.5 Vdc below 4 kPa. Accepts liquid media
Typical: 5V DC, 1.5A
Attach sensor with ports facing down if possible
Output: Unamplified, uncompensated. Normal offset: -2.5 mV/V. Analog.
PINOUT: With the ports facing upwards, the TOP-RIGHT port is port 1 and the BOTTOM-LEFT port is port 2. Counterclockwise from the top left, the pins are numbered 1-8. Pin 1: GND Pin 2: Vout+ Pin 3: Vsupply Pin 4: Vout- Pins 5-8: Not connected
image.png
4-Channel 16-Bit ADC for Raspberry Pi (ADS1115)
DATA RATE: Programmable between 8-860 SPS SUPPLY: 3.3V and 5V from GPIO, 100mA momentary current and 10mA continuous current I2C ADDRESSES: 0x48 (DEFAULT) 0x49 0x4A (If this one is used, we need to control SDA and SCL a little more carefully, so look into it/message me if you use this address) 0x4B Output: You can configure the ADC to read absolute or differential voltage. Message me if you want to read differential voltage.
PINOUT (screw terminals): With terminals facing UPWARDS, left to right: 5: GND 6: AIN0, Analog input 0 7: AIN1, Analog input 1 8: AIN2, Analog input 2 9: AIN3, Analog input 3 0: 3V3: 3.3V Output
image.png
Motor Encoder AMT112Q
SUPPLY: 5V, 16mA current consumption Output: 50% Quadrature Duty Cycle, A leads B for CCW rotation from front view, 400 PPR resolution
PINOUT: Right to left, top row odd: 1: TX 2: RX 4: GND 6: +5V 8: B+ 9: B- 10: A+ 11: A- 12: Z+ 13: Z- 14: MCLRB 1, 2, and 14 are for serial purposes only.
image.png
image.png
Alarm
WORKING VOLTAGE: 3-24V Reviews say 12V should be about as loud as a smoke alarm.
Raspberry Pi 15W Power Source
INPUT: 120V AC (wall) OUTPUT: 5.0V 3.0A (USB-C)
Power Splitter
INPUT: 120V AC (wall) OUTPUT: 2x 120V AC (also wall) 16AWG wire
Raspberry Pi 7" Touch Screen Display
INPUT: Ribbon cable via Raspberry PI OUTPUT: 7" capacitive Touchscreen, 155 x 86 mm screen size, 800*480 pixels. Adapter board uses the serial (DSI) port to interface screen signals to the Raspberry Pi.
Stepper Motor Controller (TIC 36v4)
INPUT: 8-50V. 5V regulator. OUTPUT: ~4A per phase without cooling. Microstep resolution: from full, in powers of two down to 1/256 Supported interfaces: USB, TTL serial, I2C, Analog Voltage, Quadrature encoder, STEP/DIR inputs, RC servo pulses Supports limit switch inputs with homing capabilities. Supports kill switch inputs.
PINOUT: Screw terminals, with micro-USB port UPWARDS: Vin GND A1 A2 B1 B2 There are breakout headers for direct driver access, I2C, and TTL serial. Also, there's a micro-USB port - pretty helpful, right?
image.png
Motor to Encoder Cable (STP-CBL-EB3)
17-pin to 8-pin output
PINOUT: looking into the 17-pin connector, the pins are numbered from right to left, top row odd/bottom row even. 8-pin connector: Pin/Connection/Color with stripe Pin 4 / GND / BLACK with RED stripe Pin 6 / +5V / RED with BLACK stripe Pin 8 / B+ / GREEN with BLACK stripe Pin 9 / B- / BLACK with GREEN stripe Pin 10 / A+ / WHITE with BLACK stripe Pin 11/ A- / BLACK with WHITE stripe Pin 12/ Z+ / BLUE with BLACK stripe Pin 13/ Z- / BLACK with BLUE stripe
beepboop.PNG
Power Switch (S301T)
INPUT: 125V AC, 15A Two screw terminals
With the keyway facing UP, DOWN is ON UP is OFF
image.png
Stepper Motor
(STP-MTR-23079E)
Motor input wiring: A+: RED A-: WHITE B+: GREEN B-: BLACK
image.png
There are no rows in this table
15
Count
Want to print your doc?
This is not the way.
Try clicking the ⋯ next to your doc name or using a keyboard shortcut (
CtrlP
) instead.