icon picker
Cost of Roof Plans

This is a summary of the variations of roof plans with different costs assigned to each product. While I am unaware of the budget, the projected cost that I have calculated for creating a roof would be around $500-800. This cost mapping doest not include the cost of paint to paint the support beams white. I am creating these tables under the assumption that there is paint available at the school to cover the redwood or hem fir beams. Otherwise, they can remain this color, and contrast the white of the rest of the frame. When assembling the roofs, we will need to overlap the different pieces of the polycarbonate roofing where they overlap. We will also need plastic closure strips to make sure that the roof does not dip over the 15 foot extent of the classroom. Furthermore, we will need some overhang such that the roof extends outside the classroom because, this way, the rain will not collect at any part of the roof. All of these materials were found to be available online at home depot. This price assessment is not final in nature and this is an outline of the kind of materials we will need to construct the roof. However, these variations that I have provided should sufficiently create the roof of the outdoor classroom such that it will serve its purpose.

Roof Plan 1
Column 1
Ironwood 2.95 in. x 3.68 in. Black Galvanized Steel Rafter Connector (10 Per Box)
24 in. Horizontal Plastic Closure Strips (6-Pack)
26 in. x 8 ft. Polycarbonate Roof Panel in Clear
2 in. Fasteners (50-Pieces)
2x6 redwood beams (12 ft.) (approximately 19 pounds)
Total Cost
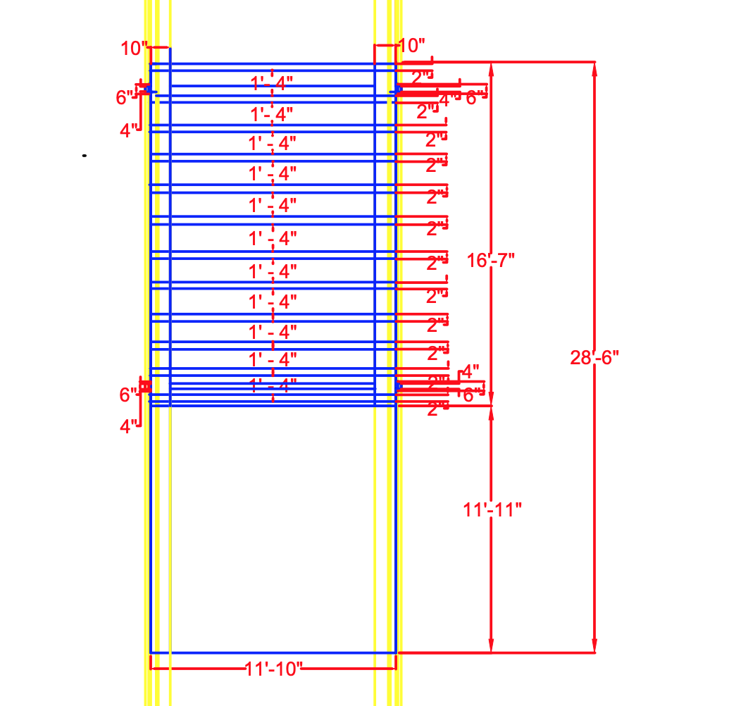
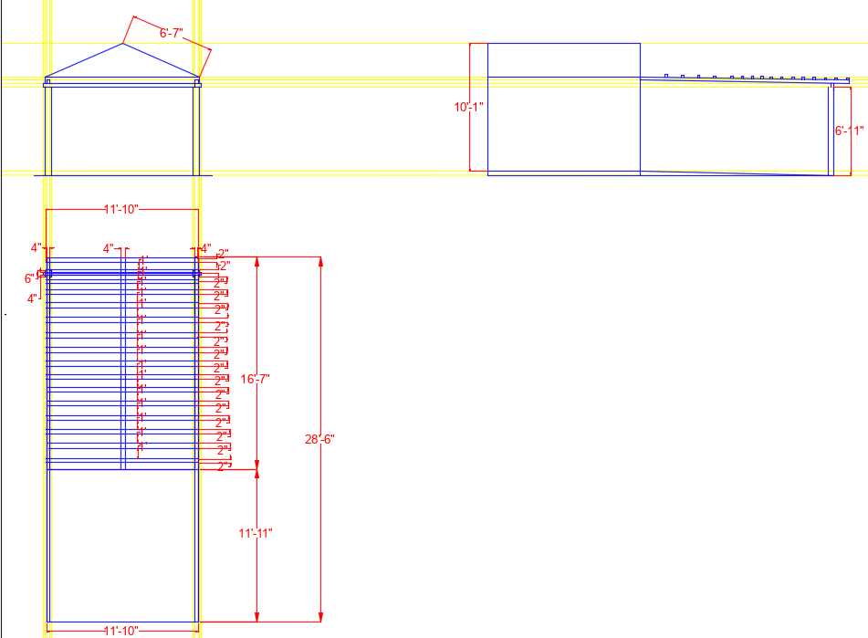
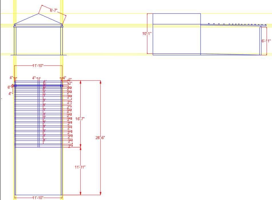
Pictures of Truss Layout
Cost per unit
$104.45
$5.47
$21.98
$5.47
$18.98
$156.35
Screen Shot 2020-01-04 at 1.19.22 PM.png
Screen Shot 2020-01-04 at 1.19.58 PM.png
Screen Shot 2020-01-04 at 1.19.46 PM.png
Quantity
3
5
16
2
4
30
Screen Shot 2020-01-04 at 1.20.31 PM.png
Screen Shot 2020-01-04 at 1.20.20 PM.png
Total Cost
$313.35
$27.35
$351.68
$10.94
$75.92
$779.24
Screen Shot 2020-01-04 at 1.21.31 PM.png
Screen Shot 2020-01-04 at 1.21.55 PM.png
There are no rows in this table
3
Count

Roof Plan 2
Column 1
Ironwood 2.95 in. x 3.68 in. Black Galvanized Steel Rafter Connector (10 Per Box)
24 in. Horizontal Plastic Closure Strips (6-Pack)
26 in. x 6 ft. Polycarbonate Roof Panel in Clear
2 in. Fasteners (50-Pieces)
2 in. x 6 in. x 12 ft. Hem-Fir Brown Stain Ground Contact Pressure-Treated Lumber (Actual: 1.5 in. x 5.5 in. x 144 in.) (Weight around 18.466 pounds)
Total Cost
Picture of Truss Layout
Cost per unit
$104.45
$5.47
$17.22
$5.47
$12.77
$145.38
Screen Shot 2020-01-04 at 12.42.49 PM.png
Screen Shot 2020-01-04 at 12.43.43 PM.png
Screen Shot 2020-01-04 at 12.43.29 PM.png
Quantity
1
5
21
2
3
32
Screen Shot 2020-01-04 at 12.45.47 PM.png
Screen Shot 2020-01-04 at 12.45.30 PM.png
Total Cost
$104.45
$49.23
$361.22
$10.94
$38.31
$564.15
Screen Shot 2020-01-04 at 12.47.05 PM.png
Screen Shot 2020-01-04 at 12.47.29 PM.png
There are no rows in this table
3
Count
Roof Plan 3
Column 1
Ironwood 2.95 in. x 3.68 in. Black Galvanized Steel Rafter Connector (10 Per Box)
24 in. Horizontal Plastic Closure Strips (6-Pack)
26 in. x 6 ft. Polycarbonate Roof Panel in Clear
2 in. Fasteners (50-Pieces)
2x6 redwood beams (12 ft.) (approximately 19 pounds)
Total Cost
Picture of Truss Layout
Cost per unit
$104.45
$5.47
$17.22
$5.47
$18.98
$151.59
Screen Shot 2020-01-04 at 12.42.49 PM.png
Screen Shot 2020-01-04 at 12.43.43 PM.png
Screen Shot 2020-01-04 at 12.43.29 PM.png
Quantity
1
5
21
2
3
32
Screen Shot 2020-01-04 at 12.45.47 PM.png
Screen Shot 2020-01-04 at 12.45.30 PM.png
Total Cost
$104.45
$49.23
$361.22
$10.94
$56.94
$582.78
Screen Shot 2020-01-04 at 12.47.05 PM.png
Screen Shot 2020-01-04 at 12.47.29 PM.png
There are no rows in this table
3
Count
Roof Plan 4
Column 1
Ironwood 2.95 in. x 3.68 in. Black Galvanized Steel Rafter Connector (10 Per Box)
24 in. Horizontal Plastic Closure Strips (6-Pack)
26 in. x 8 ft. Polycarbonate Roof Panel in Clear
2 in. Fasteners (50-Pieces)
2 in. x 6 in. x 12 ft. Hem-Fir Brown Stain Ground Contact Pressure-Treated Lumber (Actual: 1.5 in. x 5.5 in. x 144 in.)
Total Cost
Picture of Truss Layout
Cost per unit
$104.45
$5.47
$21.98
$5.47
$12.77
$150.14
Screen Shot 2020-01-04 at 1.19.22 PM.png
Screen Shot 2020-01-04 at 1.19.58 PM.png
Screen Shot 2020-01-04 at 1.19.46 PM.png
Quantity
3
5
21
1
4
34
Screen Shot 2020-01-04 at 1.20.31 PM.png
Screen Shot 2020-01-04 at 1.20.20 PM.png
Total Cost
$313.35
$27.35
$461.58
$5.47
$51.08
$858.83
Screen Shot 2020-01-04 at 1.21.31 PM.png
Screen Shot 2020-01-04 at 1.21.55 PM.png
There are no rows in this table
3
Count

Roof Plan 5 (Post Structural Analysis)
Column 1
Ironwood 2.95 in. x 3.68 in. Black Galvanized Steel Rafter Connector (10 Per Box)
24 in. Horizontal Plastic Closure Strips (6-Pack)
26 in. x 8 ft. Polycarbonate Roof Panel in Clear
2 in. Fasteners (50-Pieces)
2x8 Douglas Fir beams (16 ft.) (approximately 44 pounds)
Total Cost
Pictures of Truss Layout
Cost per unit
$104.45
$5.47
$21.98
$5.47
$15.95
$153.32
Screen Shot 2020-03-21 at 8.19.02 PM.png
Screen Shot 2020-03-21 at 8.19.08 PM.png
Screen Shot 2020-03-21 at 8.19.14 PM.png
Quantity
2
5
21
2
8
38
Screen Shot 2020-03-21 at 7.39.11 PM.png
Screen Shot 2020-03-21 at 7.39.19 PM.png
Total Cost
$208.90
$27.35
$461.58
$10.94
$127.60
$836.37
Screen Shot 2020-03-21 at 7.39.44 PM.png
Screen Shot 2020-03-21 at 7.41.58 PM.png
There are no rows in this table
3
Count
Roof Plan 6 (Post Structural Analysis)
Column
Ironwood 1.5 in. x 1.95 in. Black Galvanized Steel Rafter Connectors (10 Per Box) 2
24 in. Horizontal Plastic Closure Strips (6-Pack)
26 in. x 8 ft. Polycarbonate Roof Panel in Clear
2 in. Fasteners (50-Pieces)
2x2 pine wood (16 ft.) (approximately 44 pounds)
Severe Weather (Com mon: 4-in x 6-in x 20-ft; Actual: 3.5-in x 5.5-in x 20-ft) #2 Treated Lumber
Total Cost
Pictures of Truss Layout
Cost per unit
$25.02
$5.47
$21.98
$5.47
$26.82
$39.97
$124.73
Screen Shot 2020-03-27 at 1.20.47 PM.png
Screen Shot 2020-03-21 at 8.19.14 PM.png
Screen Shot 2020-03-27 at 1.20.47 PM.png
Screen Shot 2020-03-27 at 1.21.08 PM.png
Quantity
7
5
21
2
32
1
68
Screen Shot 2020-03-27 at 1.36.05 PM.png
Screen Shot 2020-03-27 at 1.36.33 PM.png
Total Cost
$175.14
$27.35
$461.58
$10.94
858.24
39.97
$1,573.22
Screen Shot 2020-03-27 at 1.38.05 PM.png
Screen Shot 2020-03-27 at 1.38.22 PM.png
There are no rows in this table
3
Count
Roof Plan 7 (Post Structural Analysis/Suggested by Structural Engineer)
Column 1
Ironwood 1.5 in. x 1.95 in. Black Galvanized Steel Rafter Connectors (10 Per Box) 2
24 in. Horizontal Plastic Closure Strips (6-Pack)
26 in. x 8 ft. Polycarbonate Roof Panel in Clear
2 in. Fasteners (50-Pieces)
2 in. x 6 in. x 16 ft. #2 and Better FSC Green Douglas Fir Lumber
4 in. x 10 in. x 20 ft. Prime #1 Douglas Fir Lumber(needs to be treated)
6-in x 6-in x 8-ft Douglas Fir Lumber (Common); 5.652-in x 5.652-in x 8-ft (Actual)
4 in. x 4 in. x 12 ft. #2 and Better FSC Green Douglas Fir Lumber
HHUS Galvanized Face-Mount Joist Hanger for 4x10 Nominal Lumber
Total Cost
Pictures of Truss Layout
Cost per unit
$32.78
$5.47
$21.98
$5.47
$12.92
$66.81
$43.86
$14.27
$8.30
$277.42
Screen Shot 2020-06-11 at 4.10.26 PM.png
Screen Shot 2020-06-11 at 4.10.32 PM.png
Screen Shot 2020-06-11 at 4.10.35 PM.png
Screen Shot 2020-06-11 at 4.10.38 PM.png
Quantity
3
12
21
2
12
2
2
1
2
63
Screen Shot 2020-06-11 at 1.15.10 AM.png
Screen Shot 2020-06-11 at 4.11.25 PM.png
Total Cost
$98.34
$65.64
$461.58
$10.94
$155.04
$133.62
$87.72
$14.27
$16.60
$1,240.43
Screen Shot 2020-06-11 at 1.16.47 AM.png
Screen Shot 2020-06-11 at 1.16.28 AM.png
There are no rows in this table
3
Count

Want to print your doc?
This is not the way.
Try clicking the ⋯ next to your doc name or using a keyboard shortcut (
CtrlP
) instead.